Need help?


Search OutdoorKing-Forum by entering Key Words Below



Who's Online Now
0 members (), 4,515 guests, and 294 robots.
Key: Admin, Global Mod, Mod
Online Spare Parts


Online Store


Newest Topics
Cone siezed on PTO Shaft
by ToryC - 12/11/25 02:18 PM
Kirby HK30 Governor oil leak
by Magilla - 12/11/25 12:31 PM
Victa Power Torque Starter Assembly ST12811A
by cactus155 - 11/11/25 12:11 PM
Tanaka TBC2251
by kenny_t - 11/11/25 10:35 AM
Star Poducts cylinder mower
by sparksy - 08/11/25 11:18 PM
My McCulloch M T1255 CLS Line Trimmer
by mice_elf - 07/11/25 04:33 PM
Rover Muncher stops & starts. Any ideas?
by Widget - 03/11/25 08:12 PM
Topic Replies
Kirby HK30 Governor oil leak
by Magilla - 12/11/25 09:10 PM
Cone siezed on PTO Shaft
by ToryC - 12/11/25 02:18 PM
Lower Crank Seal - Sprint 35
by AVB - 12/11/25 10:13 AM
Tanaka TBC2251
by maxwestern - 11/11/25 07:39 PM
Victa Power Torque Starter Assembly ST12811A
by NormK - 11/11/25 01:04 PM
GCV 160
by NormK - 11/11/25 08:22 AM
Star Poducts cylinder mower
by maxwestern - 10/11/25 05:52 PM
Gear Head Maintenance
by mice_elf - 08/11/25 06:21 PM
Using Roundup At Half Rates On Common Couchgrass
by mice_elf - 07/11/25 06:12 PM
My McCulloch M T1255 CLS Line Trimmer
by mice_elf - 07/11/25 04:33 PM
Previous Thread
Next Thread
Print Thread
Rate Thread
Hop To
#41033 21/10/12 09:11 AM
Joined: Sep 2003
Posts: 47
Novice
Hi Guys,

I pulled my Bolens Model BL3100 blower vac out to clean up the paths and patio and found it wouldn't start, bit of diagnosis revealed that there was no spark and that the coil module assy was the problem, appears to have open curcuit primary. I have 2 questions for the guru's: how do you remove the drive nut so that the pull start assy can be removed and get access so that the coil assy can be removed, and does anyone know where I can obtain a replacement coil Pt# 753-04463? I have looked on the net and there does not appear to be any suppliers in Oz.

Thanks Keith

Joined: Jan 2009
Posts: 6,926
Likes: 10
Pushrod Honda preferrer
***
Hi Keith,
[Linked Image]

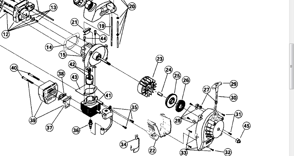
I take it you want to remove Item 45? Can you post a photograph please? I don't have anywhere near enough information at this point. Just taking a superficial look at the diagram, it looks as if that nut holds the recoil starter together. If it does, why can't you just remove the screws around the perimeter of the plastic cover, and lift off the whole cover and starter assembly, with the nut still holding it all together? That sounds like the conventional way for it to work.

With regard to the replacement ignition module, have you checked the Outdoorking online store? If it isn't listed, you could send a PM to Bruce quoting the part number as well as the model identification, and see if he can help. If he can't, and there is no local supplier, the usual approach is just to buy it from an overseas supplier (being careful to find one with low shipping charges, which usually means one in Hong Kong or Thailand).

Joined: Sep 2003
Posts: 47
Novice
Hello Grumpy,

Thanks for the reply, the drive nut Item 45 is the one I need to remove. I have removed the screws Items 31,32,33 which hold the recoil assy onto the engine crankcase. The recoil assy to slide off the end of the crankshaft in one piece if nut 45 was not there. The drive nut 45 appears to be threaded onto the end of the shaft(??). I have tried hold the shaft with small vice grips (only ones I can get on shaft due to access) and applying both left and right hand pressure in case the thread is LH thread and it does not budge.
I have looked on Outdoorking online store and it does not appear. I found overseas suppliers of the ignition module in USA and UK, I will try get a quote from them after I get the drive nut off, bit pointless until then.

Cheers and thanks for the assistance, Keith.

Joined: Jan 2009
Posts: 6,926
Likes: 10
Pushrod Honda preferrer
***
Quite right Keith, it is attached to the crankshaft:

[Linked Image]

I still have trouble believing they have a hex nut rotating at 10,000 rpm close to the operator's fingers, but that is what the drawing seems to show.

I think the easy and practical way to remove Nut 45 is with a rattle gun. That should do it in much less than a second. If you don't have access to a rattle gun, if you put the longest available ring spanner on the nut and smack it in the anticlockwise direction with a sizable rubber hammer, it should be undone very easily indeed, given that the flywheel is attached to that shaft very close by.

I notice that the same blower/vac seems to be sold as an MTD with the same part numbers. Perhaps that will make it easier to get the parts.

Last edited by grumpy; 21/10/12 11:56 AM. Reason: Add detail
Joined: Sep 2003
Posts: 47
Novice
Hello Grumpy,

Did the trick with the rattle gun, nut came straight off, slid spacer item 24 and recoil assy off end of crankshaft, removed 2 securing screws and bingo, ignition module removed.
The part number of the ignition module is 794-00008 which is diferrent to the ipb is 753-04463. The -00008 is also used in Ryobi and cadet vacs and MTD vacs as you said. The -04463 is available from Sears online store in USA, if I can't find one locally I will probably get it from them,

Thanks again, cheers Keith.

J
Joe Carroll
Unregistered
I would just about bet a large stack that a coil from a ryobi whipper snipper would fit, and coule be had for next to nothing from a tip shop or nature strip.

Joined: Sep 2003
Posts: 47
Novice
Hello Joe,

I have my brothers old Ryobi whipper snipper in the back shed, I go check it out.

Thanks Keith

Joined: Sep 2003
Posts: 47
Novice
Hi Guys,
Found my brothers old whipper snipper add pulled out the ignition module. The module is physically the same size but is not incapsulated like the Bolens module.
I fitted it to the Bolens vac, still does not start. Have plenty of fuel, plug gets wet, checked spark, only get a week yellow spark.
What should the magneto gap be?? Any other things I can try???
Cheers Keith

Joined: Jan 2009
Posts: 6,926
Likes: 10
Pushrod Honda preferrer
***
1. Did the ignition module work on your brother's whipper snipper?
2. Is it properly grounded now you have put it on the Bolens whipper?

The clearance between flywheel and ignition module magnetic yoke is conventionally the thickness of a standard business card, which is about 0.010-0.012". It is seldom critical - Honda allows anything up to 0.025", for instance.

The most common reason for ignition not to work on whipper snippers is damage to, or deterioration of, the kill switch or its wiring, so that the kill wire is weakly grounded all the time. You might care to re-test the ignition module with the kill wire disconnected at the module end. If the spark is OK with the kill wire disconnected, you will need to replace the kill switch or find a place where the wire to it is leaking to earth (usually due to insulation worn through). If that is the fault, chances are you can put the original ignition module back on.



Moderated by  Bruce, Gadge, Mr Davis 

Link Copied to Clipboard
Forum Donation
These Outdoorking Forums have helped Thousands of people in finding answers to their equipment questions.

If you have received help, please consider making a donation to support the on-going running cost of these forums.

November
M T W T F S S
1 2
3 4 5 6 7 8 9
10 11 12 13 14 15 16
17 18 19 20 21 22 23
24 25 26 27 28 29 30
ShoutChat
Comment Guidelines: Do post respectful and insightful comments. Don't flame, hate, spam.
Newest Members
gkov3, The Umpire, cornflakes, Kymmy, sahara
17,664 Registered Users
Forum Statistics
Forums145
Topics13,019
Posts107,017
Members17,664
Most Online16,069
Sep 19th, 2025
OutdoorKing Showcase
20 Bucks from FB Marketplace
20 Bucks from FB Marketplace
by Return Rider, February 20
Victa Cortina 2 Shed Find
Victa Cortina 2 Shed Find
by Return Rider, January 25
My Rover Baron 45
My Rover Baron 45
by Maxwell_Rover_Baron, April 16
SHOWCASE - Precision Mowers - 2021
SHOWCASE - Precision Mowers - 2021
by CyberJack, April 14
SHOWCASE – Atco Rotary – Paul C - 2020
HOME |CONTACT US
Powered by UBB.threads™ PHP Forum Software 8.0.0
(Release build 20240826)
Responsive Width:

PHP: 8.3.26 Page Time: 0.055s Queries: 34 (0.047s) Memory: 0.6574 MB (Peak: 0.7096 MB) Data Comp: Zlib Server Time: 2025-11-12 16:11:05 UTC
Valid HTML 5 and Valid CSS